
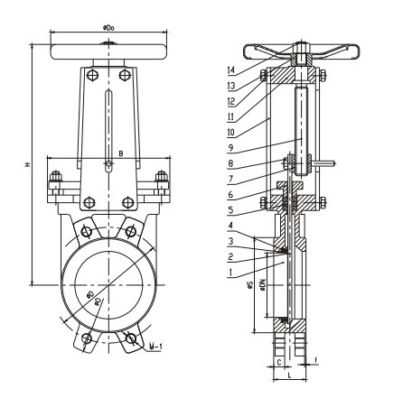
【暗杆刀闸阀】的基本概述:
暗杆刀闸阀是由刀闸阀演变出的一种刀闸阀,其主要特点是阀门在开启和关闭式阀杆不升降,大大节省了安装空间,特别适用于一些安装空间狭小的管线上。


联系人:金相志
销售热线:0577-67370378
0577-21815088
手机:18658737087
传真:0577-67377166
企业QQ:2880822007 2880822008 2880822002
地址:浙江省永嘉县瓯北镇三桥工业园林浦路
邮箱:sale@guanlivalve.com

【暗杆刀闸阀】的基本概述:
暗杆刀闸阀是由刀闸阀演变出的一种刀闸阀,其主要特点是阀门在开启和关闭式阀杆不升降,大大节省了安装空间,特别适用于一些安装空间狭小的管线上。

