您好,欢迎来到必威登陆官网

V型球阀|气动V型球阀|对夹式刀型闸阀|电动刀闸阀|V型球阀|美标闸阀

热门关键词搜索:

关于我们
产品分类
必威betway的下载安装

联系人:金相志

销售热线:0577-67370378

     0577-21815088

手机:18658737087

传真:0577-67377166

企业QQ:2880822007   2880822008   2880822002

地址:浙江省永嘉县瓯北镇三桥工业园林浦路

邮箱:sale@guanlivalve.com

网址:http://www.w2pcw.com

排污刀型闸阀

您的位置:首页 > 产品展示 > 刀型闸阀 > 排污刀型闸阀

排污刀型闸阀

所属分类:刀型闸阀

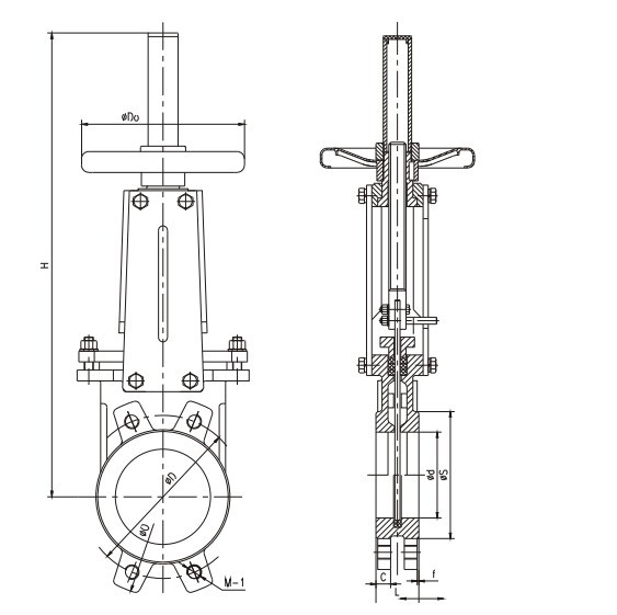
采用底部无凹槽设计,防止了杂志的堆积,克服了普通刀闸阀易堵渣的缺陷。

详细信息

排污刀型闸阀

 

排污刀型闸阀】详细信息介绍:
排污刀型闸阀采用底部无凹槽设计,防止了杂志的堆积,克服了普通刀闸阀易堵渣的缺陷。 
 

排污刀型闸阀
排污刀型闸阀

下一个
[电动V型球阀]
产品快速导航
Baidu
Betway·必威(西汉姆联)唯一官方网站