
【手动刀闸阀】详细信息介绍:
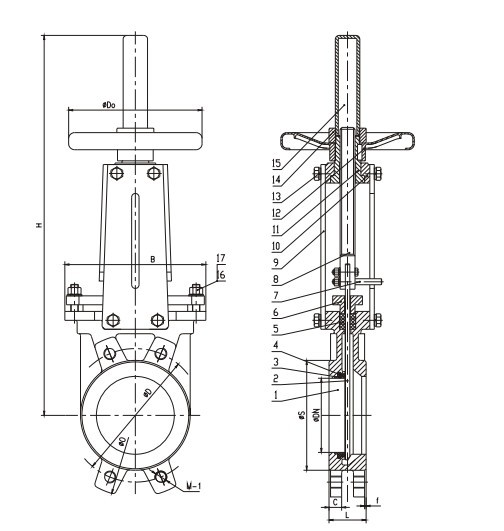
1、手动刀闸阀按照口径不同制成暗杆和明杆两种型号四,全圆形的直流通道设计不存渣、不卡阻。刀板底端加工成刃状,对松软物料如纤维、纸浆、木浆具有切断功能,同时有良好开启和关闭作用。可提升的闸板密封面,可刮除密封面粘着物,自动杂物。
2、不锈钢闸板可防止腐蚀引起的密封泄漏。
3、短结构长度、可节省原料、安装空间,也可支持管道强度。
4、三角形的支架节省原材料,保证需要的力学性能。
5、阀体上的导向块使闸板正确运动,挤压块保证闸板密封。
6、阀体加强筋设计提高阀体强度。
7、刀闸阀内部可制成V型、三角形,以适应流体调节控制要求。






















浙公网安备 33032402001912号